詳細介紹
主要性能規范
工作溫度 適用介質 ≤85℃ J:一般腐蝕性介質 ≤120℃ FS:強腐蝕性介質 注:此為本廠基型產品適用溫度,如有不同要求請參閱前頁進行選擇。 主要零件的材料
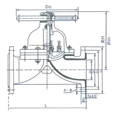
主要外形尺寸和連接尺寸(mm)
產品結構![]() | |||||||||||||||||||||||||||||||||||||||||||||||||||||||||||||||||||||||||||||||||||||||||||||||||||||||||||||||||||||||||||||||||||||||||||||||||||||||||||||||||||||||||||||
溫馨提示:“G41W/J/Fs襯膠隔膜閥、襯氟隔膜閥”所有文字、數據、圖片均只適用于參考。
如需與實物相吻合的性能參數、結構尺寸參數等詳情請來電來函索取。
電話:021-68103333 傳真:021-51686322
如需與實物相吻合的性能參數、結構尺寸參數等詳情請來電來函索取。
電話:021-68103333 傳真:021-51686322

軟密封蝶閥視頻介紹





掃一掃關注我們